Wheel Speed Transducer Aircraft . Brushless tachometric generators measuring aircraft wheel speed of aircraft for braking control. wheel speed sensors typically consist of a toothed ring and pickup, and are found in automobiles, aircraft, and other. among various aircraft wheel speed sensors, the variable reluctance wheel speed transducer is widely used in the. Outboard) report a wheel speed below 17,5 mph there will be no brake release. It is sealed and may also serve as a hub cap. in aircraft, wheel transducers are used to measure the speed and direction of rotation of the aircraft's wheels. if all wheels from a memory circuit (inboard resp. The 737 outer wheel half.
from instrumentation.co.uk
in aircraft, wheel transducers are used to measure the speed and direction of rotation of the aircraft's wheels. The 737 outer wheel half. Outboard) report a wheel speed below 17,5 mph there will be no brake release. if all wheels from a memory circuit (inboard resp. Brushless tachometric generators measuring aircraft wheel speed of aircraft for braking control. It is sealed and may also serve as a hub cap. among various aircraft wheel speed sensors, the variable reluctance wheel speed transducer is widely used in the. wheel speed sensors typically consist of a toothed ring and pickup, and are found in automobiles, aircraft, and other.
THE NEW GENERATION OF WHEEL FORCE TRANSDUCERS Instrumentation Monthly
Wheel Speed Transducer Aircraft It is sealed and may also serve as a hub cap. It is sealed and may also serve as a hub cap. if all wheels from a memory circuit (inboard resp. among various aircraft wheel speed sensors, the variable reluctance wheel speed transducer is widely used in the. Brushless tachometric generators measuring aircraft wheel speed of aircraft for braking control. wheel speed sensors typically consist of a toothed ring and pickup, and are found in automobiles, aircraft, and other. in aircraft, wheel transducers are used to measure the speed and direction of rotation of the aircraft's wheels. The 737 outer wheel half. Outboard) report a wheel speed below 17,5 mph there will be no brake release.
From av-ts.com
AVTS AntiSkid Test Unit Wheel Speed Transducer Aircraft wheel speed sensors typically consist of a toothed ring and pickup, and are found in automobiles, aircraft, and other. if all wheels from a memory circuit (inboard resp. The 737 outer wheel half. Outboard) report a wheel speed below 17,5 mph there will be no brake release. It is sealed and may also serve as a hub cap.. Wheel Speed Transducer Aircraft.
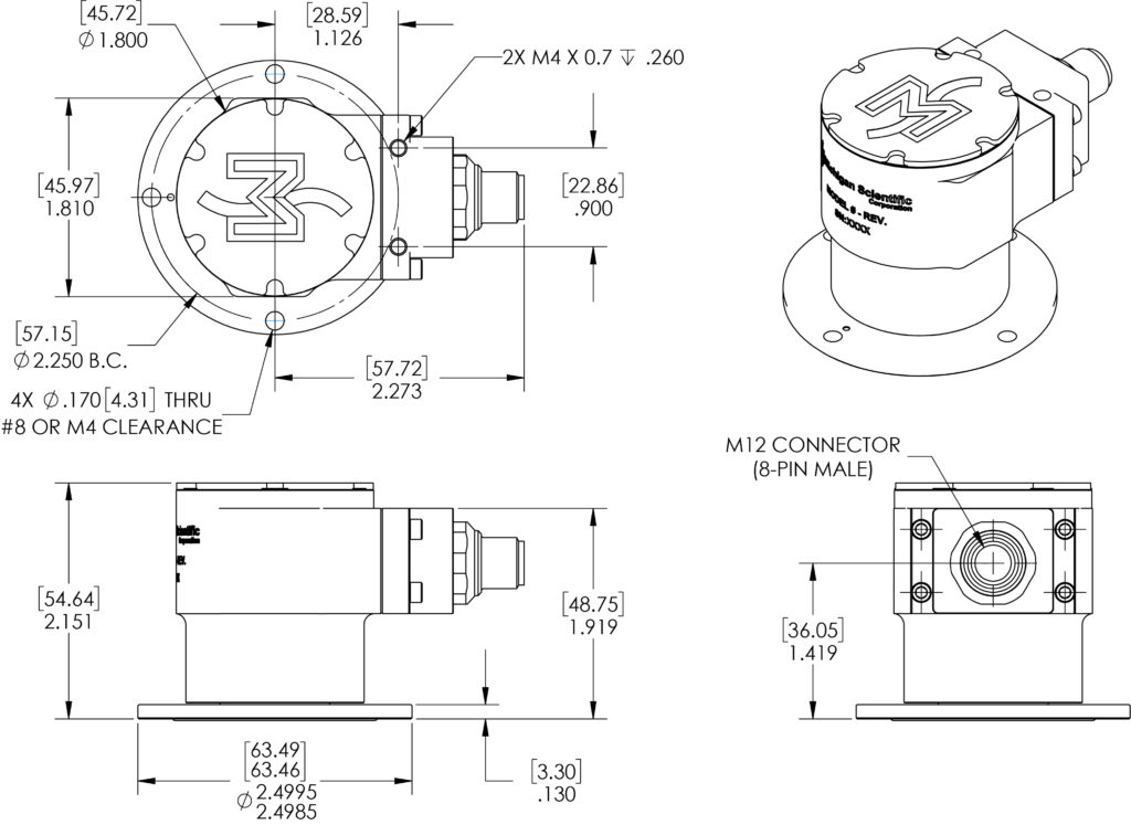
From www.michsci.com
Product Update Wheel Pulse Transducer • Michigan Scientific Corporation Wheel Speed Transducer Aircraft if all wheels from a memory circuit (inboard resp. wheel speed sensors typically consist of a toothed ring and pickup, and are found in automobiles, aircraft, and other. in aircraft, wheel transducers are used to measure the speed and direction of rotation of the aircraft's wheels. Brushless tachometric generators measuring aircraft wheel speed of aircraft for braking. Wheel Speed Transducer Aircraft.
From fb.ru
Как тормозит самолет при посадке? Виды самолетов и способы торможения Wheel Speed Transducer Aircraft Outboard) report a wheel speed below 17,5 mph there will be no brake release. wheel speed sensors typically consist of a toothed ring and pickup, and are found in automobiles, aircraft, and other. among various aircraft wheel speed sensors, the variable reluctance wheel speed transducer is widely used in the. The 737 outer wheel half. Brushless tachometric generators. Wheel Speed Transducer Aircraft.
From www.slideserve.com
PPT Aircraft Wheel Speed Sensor/Transducer (WSS or WST) PowerPoint Wheel Speed Transducer Aircraft Outboard) report a wheel speed below 17,5 mph there will be no brake release. It is sealed and may also serve as a hub cap. in aircraft, wheel transducers are used to measure the speed and direction of rotation of the aircraft's wheels. The 737 outer wheel half. Brushless tachometric generators measuring aircraft wheel speed of aircraft for braking. Wheel Speed Transducer Aircraft.
From www.ebay.co.uk
P/N 140007 (Alt. P/N 99140786) Aircraft Wheel Speed Transducer Wheel Speed Transducer Aircraft among various aircraft wheel speed sensors, the variable reluctance wheel speed transducer is widely used in the. It is sealed and may also serve as a hub cap. wheel speed sensors typically consist of a toothed ring and pickup, and are found in automobiles, aircraft, and other. The 737 outer wheel half. Outboard) report a wheel speed below. Wheel Speed Transducer Aircraft.
From whaletailsales.com
Airbus Wheel Speed Transducer Whaletail Sales Wheel Speed Transducer Aircraft if all wheels from a memory circuit (inboard resp. It is sealed and may also serve as a hub cap. The 737 outer wheel half. Brushless tachometric generators measuring aircraft wheel speed of aircraft for braking control. Outboard) report a wheel speed below 17,5 mph there will be no brake release. wheel speed sensors typically consist of a. Wheel Speed Transducer Aircraft.
From www.aircraftsystemstech.com
Aircraft Wheels Construction and Inspection Wheel Speed Transducer Aircraft wheel speed sensors typically consist of a toothed ring and pickup, and are found in automobiles, aircraft, and other. among various aircraft wheel speed sensors, the variable reluctance wheel speed transducer is widely used in the. It is sealed and may also serve as a hub cap. in aircraft, wheel transducers are used to measure the speed. Wheel Speed Transducer Aircraft.
From www.slideserve.com
PPT Aircraft Wheel Speed Sensor/Transducer (WSS or WST) PowerPoint Wheel Speed Transducer Aircraft among various aircraft wheel speed sensors, the variable reluctance wheel speed transducer is widely used in the. The 737 outer wheel half. Outboard) report a wheel speed below 17,5 mph there will be no brake release. wheel speed sensors typically consist of a toothed ring and pickup, and are found in automobiles, aircraft, and other. It is sealed. Wheel Speed Transducer Aircraft.
From respuestas.me
¿Cómo funciona el sensor de velocidad de la rueda en un Boeing 777300ER? Wheel Speed Transducer Aircraft Outboard) report a wheel speed below 17,5 mph there will be no brake release. in aircraft, wheel transducers are used to measure the speed and direction of rotation of the aircraft's wheels. Brushless tachometric generators measuring aircraft wheel speed of aircraft for braking control. among various aircraft wheel speed sensors, the variable reluctance wheel speed transducer is widely. Wheel Speed Transducer Aircraft.
From www.michsci.com
High Resolution Wheel Pulse Transducer • Michigan Scientific Corporation Wheel Speed Transducer Aircraft It is sealed and may also serve as a hub cap. wheel speed sensors typically consist of a toothed ring and pickup, and are found in automobiles, aircraft, and other. among various aircraft wheel speed sensors, the variable reluctance wheel speed transducer is widely used in the. in aircraft, wheel transducers are used to measure the speed. Wheel Speed Transducer Aircraft.
From www.slideserve.com
PPT Aircraft Wheel Speed Sensor/Transducer (WSS or WST) PowerPoint Wheel Speed Transducer Aircraft It is sealed and may also serve as a hub cap. in aircraft, wheel transducers are used to measure the speed and direction of rotation of the aircraft's wheels. Brushless tachometric generators measuring aircraft wheel speed of aircraft for braking control. if all wheels from a memory circuit (inboard resp. wheel speed sensors typically consist of a. Wheel Speed Transducer Aircraft.
From scanaerotech.com
Wheelspeed transducer adapter Wheel Speed Transducer Aircraft if all wheels from a memory circuit (inboard resp. Brushless tachometric generators measuring aircraft wheel speed of aircraft for braking control. among various aircraft wheel speed sensors, the variable reluctance wheel speed transducer is widely used in the. It is sealed and may also serve as a hub cap. Outboard) report a wheel speed below 17,5 mph there. Wheel Speed Transducer Aircraft.
From www.imc-tm.nl
Wheel Force Transducer imc Test & Measurement GmbH Wheel Speed Transducer Aircraft The 737 outer wheel half. in aircraft, wheel transducers are used to measure the speed and direction of rotation of the aircraft's wheels. wheel speed sensors typically consist of a toothed ring and pickup, and are found in automobiles, aircraft, and other. among various aircraft wheel speed sensors, the variable reluctance wheel speed transducer is widely used. Wheel Speed Transducer Aircraft.
From blogs.sw.siemens.com
Straightforward access to data from wheel force transducer Simcenter Wheel Speed Transducer Aircraft in aircraft, wheel transducers are used to measure the speed and direction of rotation of the aircraft's wheels. wheel speed sensors typically consist of a toothed ring and pickup, and are found in automobiles, aircraft, and other. Outboard) report a wheel speed below 17,5 mph there will be no brake release. It is sealed and may also serve. Wheel Speed Transducer Aircraft.
From en.pm-instrumentation.com
Wheel Force Transducers Applications and Measurement Examples Wheel Speed Transducer Aircraft among various aircraft wheel speed sensors, the variable reluctance wheel speed transducer is widely used in the. It is sealed and may also serve as a hub cap. if all wheels from a memory circuit (inboard resp. Brushless tachometric generators measuring aircraft wheel speed of aircraft for braking control. The 737 outer wheel half. in aircraft, wheel. Wheel Speed Transducer Aircraft.
From www.slideserve.com
PPT Aircraft Wheel Speed Sensor/Transducer (WSS or WST) PowerPoint Wheel Speed Transducer Aircraft Brushless tachometric generators measuring aircraft wheel speed of aircraft for braking control. among various aircraft wheel speed sensors, the variable reluctance wheel speed transducer is widely used in the. in aircraft, wheel transducers are used to measure the speed and direction of rotation of the aircraft's wheels. It is sealed and may also serve as a hub cap.. Wheel Speed Transducer Aircraft.
From www.michsci.com
Model LW12.8 Wheel Load Transducer • Michigan Scientific Corporation Wheel Speed Transducer Aircraft in aircraft, wheel transducers are used to measure the speed and direction of rotation of the aircraft's wheels. The 737 outer wheel half. wheel speed sensors typically consist of a toothed ring and pickup, and are found in automobiles, aircraft, and other. among various aircraft wheel speed sensors, the variable reluctance wheel speed transducer is widely used. Wheel Speed Transducer Aircraft.
From www.slideserve.com
PPT Aircraft Wheel Speed Sensor/Transducer (WSS or WST) PowerPoint Wheel Speed Transducer Aircraft in aircraft, wheel transducers are used to measure the speed and direction of rotation of the aircraft's wheels. wheel speed sensors typically consist of a toothed ring and pickup, and are found in automobiles, aircraft, and other. among various aircraft wheel speed sensors, the variable reluctance wheel speed transducer is widely used in the. if all. Wheel Speed Transducer Aircraft.